Inhmelhriattirna
3 way hydraulic adapter hian hydraulic line pathum a then emaw, a inzawm emaw a, chu chu system tam tak tan hmanraw tangkai tak a ni. Thil chak tak tak hmanga siam a ni a, pressure sang tak a handle tha a, leak a titawp bawk. Factory, farm, leh garage-a part hrang hrang a fit a ni. Install awlsam, enkawl tlem a ngai a, fluid pawh a kal thei bawk. Hna chi hrang hrang atan a ropui a, hun rei tak a daih.



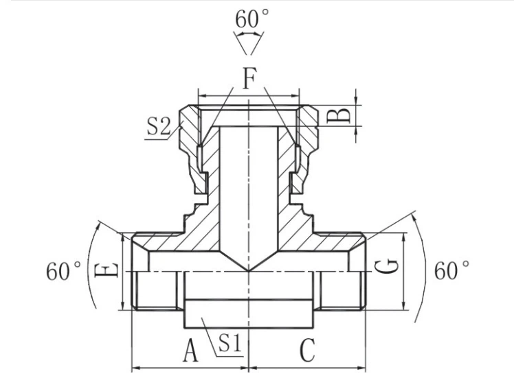
Specifications 1.1.

|
part no. |
LA |
Dimension hrang hrang . |
||||||
|
E |
F |
G |
A |
B |
C |
S1 |
S2 |
|
|
BB-02 a ni a. |
G1/8"X28 |
G1/8"X28 |
G1/8"X28 |
19.8 |
5.5 |
19.8 |
11 |
14 |
|
BB-04 a ni. |
G1/4"X19 |
G1/4"X19 |
G1/4"X19 |
24.5 |
5.5 |
24.5 |
14 |
19 |
|
BB-06 a ni. |
G3/8"X19 |
G3/8"X19 |
G3/8"X19 |
27.5 |
6.3 |
27.5 |
16 |
22 |
|
BB-08 a ni. |
G1/2"X14 |
G1/2"X14 |
G1/2"X14 |
34.5 |
7.5 |
34.5 |
22 |
27 |
|
BB-12 a ni a. |
G3/4"X14 |
G3/4"X14 |
G3/4"X14 |
40 |
10.9 |
40 |
27 |
32 |
|
BB-20 a ni. |
G1.1/4"X11 |
G1.1/4"X11 |
G1.1/4"X11 |
50.5 |
11 |
50.5 |
41 |
50 |
|
BB-24 a ni. |
G1.1/2"X11 |
G1.1/2"X11 |
G1.1/2"X11 |
57.5 |
13 |
57.5 |
48 |
55 |
|
BB-32 a ni. |
G2"X11 |
G2"X11 |
G2"X11 |
72.5 |
16 |
72.5 |
63 |
70 |
Parameters/technical data a awm em?
|
Dik tak |
China ram Zhejiang-ah chuan a awm a. |
Delivery hun tur . |
Negotiable theih a ni . |
|
Certification 1000 a ni. |
GB/T19001-2016 IDT ISO9001:2015 ah hian a awm a. |
Packing a awm em . |
Export standard 100 a ni. |
|
Bungrua |
Carbon steel 1000 a ni. |
Warranty a awm em? |
Kum 1 . |
|
Pawisa pek hun tur . |
TT 10 a ni. |
MOQ 10 a ni. |
2000 |
|
Dinhmun |
Thar |
Rawng |
A rilru a buai em em a, a rilru a hah em em bawk a. |
Company chungchang .












A thatna te .
Quality sang zawk .
Kan expert team hian technical skills te leh management experience te an inkawp a, quality control khauh tak leh professional certifications kan vawng reng a ni.
Thil tawn hausa tak .
Kum 2011-a din, tunah hian khawvel pumah 40+ ram hrang hrangah ram pawnah thawnchhuah a ni a, chung zingah chuan:USA, Germany, UK, Australia, Russia, Brazil, Canada te pawh a tel a, a aia tam chu international client-te’n quality service atan an rintlak zawk a ni.
Product range zau tak .
4 Product category lian ber berte:
Hydraulic fittings te pawh a awm bawk.
Hydraulic ferrule te pawh a awm bawk.
Hydraulic adapter te pawh a awm bawk.
Nylon Tube Fittings tih a ni.
Thil chi hrang hrang 100 chuang a awm
Inelna tur man pek dan .
Kan thil zawrh quality tha tak tak kan pe a.Built Strong Customer Trust Through:
Quality rintlak tak a ni .
Sumdawnna dik tak kalpui dan .
Kum 10 chhunga hmasawnna awmze nei tak .
Customer-Service ngaihven hlawh tak a ni.
I satisfaction hi kan top priority a ni.Quick response to all inquiries.Professional solutions for every need .
Hmun pawimawh tak a ni .
Hangzhou bulah hmun remchang takah a awm a.Transport connection tha tak tak a awm bawk.Fast leh efficient shipping

FAQ a ni.
Q: Engvangin nge min pick?
A: Hydraulics nen hian kum 10 chhung zet kan thawk dun tawh a. Kan thil siamte hi quality tha tak a ni a, 18-month warranty nen kan rawn thleng a, kan deliver nghal vat bawk. Costs save kan pui bawk a, kan after-sales service hi stress-free a ni bawk.
Q: Factory nge trading company kan ni em?
A: Factory hmasa ber chu hydraulic fitting siamtu kan ni. Kum 10 chhung zet siam leh siam that kan tum ber a ni.
Q: Eng chen nge deliver tur?
A: Stock-a thil awmte kan neih chuan ni 7-ni 15 vel a ngai tlangpui. A nih loh chuan ni 30-45-hei hi engzat nge i order tih a innghat.
Q: Engtin nge pawisa pek ang?
A: Order i confirm hunah 30% pe rawh. A bak 70% chu bill of lading copy kan thawn hnuah pe rawh.
Q: Sample kan la thei ang em? An zalen em ni?
A: Tuna kan thil siamte tan chuan test theih turin free sample 2 kan pe thei. Mahse, shipping man i pek a ngai a ni. Custom products atan chuan sample plan siam turin min biak theih a ni.
Q: A hman hunah quality problem a awm a nih chuan engtin nge ni ang?
A: Thla 12 chhung quality kan guarantee (delivery date atang khan). Mite avanga harsatna awm lo zawng zawng chu a huam vek a ni.
Q: Order kan dah theih tlem ber chu eng nge ni?
A: Stock in stock tan chuan 1 chauh i lei thei a, out-of-stock products tan chuan product details atanga order tlem ber kan confirm ang.
Q: Drawing atang hian product i siam thei em?
A: Ni e, kan ti thei. Mahse technical requirement chiang tak leh tolerance standard kan mamawh a ni.
Q: I after-sales service chu eng nge ni?
A: Logistics chu kan track vek a. Goods awmna hmunah kan update che a, i dawn hnuah i hlim em tih kan check bawk.
Q: Engtin nge product quality i check thin?
A: Professional testing tools kan nei a: Salt Spray Testers, Tensile Machines, Hardness Testers, etc. Kan hmang thin a, product tha tak tak a awm leh awm loh kan enfiah thin.
Q: OEM service i pe em?
A: Ni e, kan ti ve tho. A chipchiar zawkna tur chuan min rawn biak theih reng e.
Q: Eng ang packaging nge i hman thin?
A: Tunah hian carton kan hmang a. Mahse, i mamawh min hrilh la, chu chu kan hmu thei ang.
Q: Engtikah nge man ka hmuh ang?
A: Price chungchanga i zawhna kan hmuh hnu darkar 8 chhungin quote kan thawn tlangpui thin.
hot tags .: 3 way Hydraulic adapter, China 3 way hydraulic adapter siamtute, factory
